BIKES.


BRITISH SALMSON CYCLAID

  This bike has a 2 stroke engine mounted on sprung brackets, attached to the saddle tube, and drives down onto the rear wheel by a large rubber Vee belt.
There is no clutch of any kind, so when the engine turns, the bike moves, and visa versa. It is impossible to stop without stalling the engine. Riding this in traffic is matter of continually stalling and re-starting the engine.....


I have scanned and copied almost everything I have about the Cyclaid.

Original makers advertisement. ( 77Kb picture )

Makers technical advert page. ( 129Kb picture )

Original makers handbook. ( Text )

Cyclaid Road test 1954 ( Text )

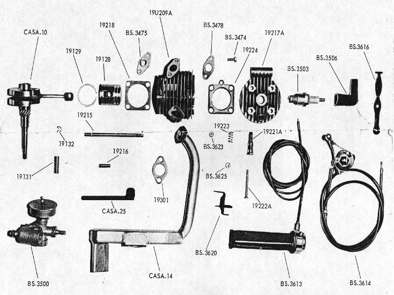
Cyclaid Parts page 1 ( 93Kb picture )

Cyclaid Parts page 2 ( 96Kb picture )

Cyclaid Parts page 3 ( 80Kb picture )

Part No./Price List. ( Text )

Wipac magneto service instructions (Page 1 Text)

Wipac magneto service instructions (Page 2 Text)

Amal 308 Carburetter manual (Mainly Text)

Amal 308 Part No. (Text)

1951 British Salmson Cyclaid.

Links not on this site The National Autocycle and Cyclemotor Club.


1948 Norman.
Villiers junior deluxe 98cc 2 stroke engine.
Supplied in November 1948 by
"The Bee" cycle & motor Co Ltd
2 4 & 6 Upper Newington
Renshaw Street
LIVERPOOL

  Scanned copies of old publications,
Villiers Junior De-luxe Users Handbook   and Parts List

Villiers Junior De-luxe engine manual.

Villiers Two-Stroke Engines Handbook.

Villiers Lighting Sets Manual.
This page is powered by Notepad !

Back one Page